莱宝51漫画

当前位置:首页>产品中心>莱宝51漫画
Leybold莱宝D16C双级油封51漫画
Leybold莱宝D16C双级油封51漫画

Leybold莱宝D16C双级油封51漫画

上架时间:2023-10-30
浏览次数:467
产品类型:双级油旋片泵
产品型号:Leybold莱宝D16C
适用电压:220V
参考价格:¥16000
产品详情

Leybold D16C是一款双级油封51漫画  ,由德国莱宝(Leybold)公司设计。该泵采用直联式、风冷旋片设计,由莱宝公司在中国天津的独资子公司生产。D16C泵广泛应用于制冷、冰箱、空调、照明、彩管等行业,同时也在实验室和科研场所得到使用。

莱宝D16C51漫画 具有以下特点和技术参数:

莱宝D16C51漫画  以其可靠的性能和高效的抽气能力而闻名。它能够在制冷、冰箱、空调、照明、彩管等行业中提供稳定的真空环境。同时,它也是实验室和科研场所常用的设备之一。

总之,Leybold莱宝D16C双级油封51漫画  是一款可靠、高效的设备,适用于多种行业和应用领域。它的设计和技术参数使其成为制冷、冰箱、空调、照明、彩管等行业的理想选择,并在实验室和科研场所中发挥着重要作用。

d16c_a.jpeg

德国Leybold莱宝51漫画 Trivac D16C


莱宝51漫画
D16C概述


莱宝51漫画
D16C技术参数


莱宝51漫画
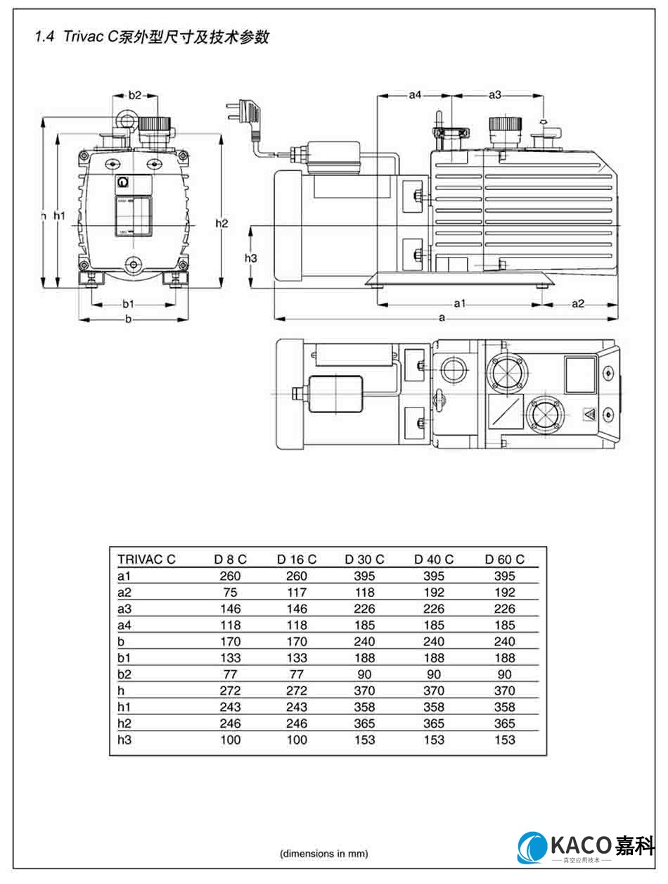
D16C安装尺寸图



莱宝51漫画
D16C外观图






莱宝51漫画
D16C工作原理图


莱宝51漫画 D16C莱宝51漫画 D16C莱宝51漫画 D16C德国莱宝 德国Leybold 莱宝51漫画 Trivac51漫画  莱宝Trivac 德国莱宝 德国Leybold 莱宝51漫画 Trivac51漫画 莱宝Trivac



上一篇:没有了!

下一篇:VARODRY干式螺杆51漫画  VD65|VD100|VD160|VD200

免费通话

24小时免费咨询

请输入您的联系电话,座机请加区号

免费通话

微信扫一扫

微信扫一扫

微信联系
返回顶部
听泉鉴鲍 红桃国际 17c吃瓜网 deep色客 蘑菇视频